首页
关于我们
产品中心
解决方案
新闻资讯
留言咨询
人才招聘
联系我们
网站首页
关于我们
公司简介
公司文化
资质证书
产品中心
连接器
电缆组件
微波无源器件
其他
新闻资讯
公司新闻
行业新闻
常见问题
留言咨询
人才招聘
联系我们
搜索
产品中心
/ Product Center
连接器
2.92系列
APC3.5系列
SSMP系列
2.4mm系列
SMA系列
SMP系列
MCX系列
BMA系列
SBMA系列
SMB系列
SSMA系列
SSMB系列
TNC系列
MMCX系列
N系列
BNC系列
转接器
电缆组件
高频电缆
测试电缆
低频电缆
微波无源器件
同轴固定衰减器
吸收负载
其他
其他
联系我们
/ CONTACT US
电话:029-88214999
邮箱:2752653993@qq.com
地址:陕西省西安市高新区高新六路28号烽火科技园北楼四层中区
产品中心
主页
>
产品中心
产品名称:
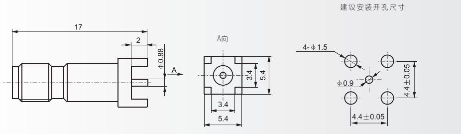
SSMA-KHD1
产品介绍:
SSMA射频同轴连接器具有体积小、机械电气性能优越、可靠性高等优点是近年来通讯行业选用的射频连接器
立即咨询
029-88214999
分享:
产品介绍
产品参数
上一个:
SSMA-50JRG-1W
下一个:
SSMA-KHD
网站首页
关于我们
产品中心
联系我们